
Reemplazo para junta rotativa serie DEUBLIN 250-094
♦Este es un reemplazo para la junta rotativa DEUBLIN serie 250-094.
♦Estructura de conexión radial de un solo-canal, compatible con múltiples medios como aire/vacío/aceite hidráulico.
♦Carcasa de aluminio anodizado + rotor de acero inoxidable, ligero y de alta resistencia.
♦Sello mecánico equilibrado + diseño de bajo par para un funcionamiento más suave
♦Sellar la cavidad con fieltro de aceite, adecuado para un sellado estable del medio aéreo.
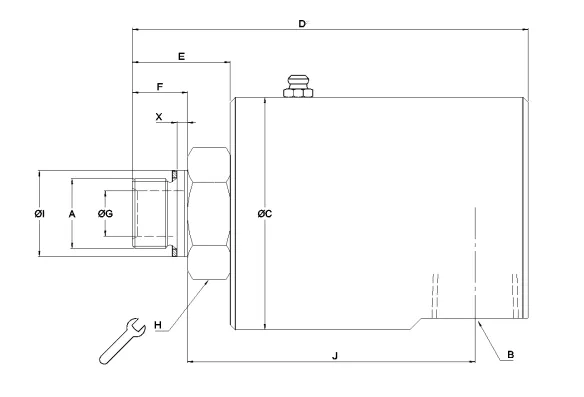
Dibujos del producto


Parámetros del producto
| Parámetros técnicos | |
| Medio |
Aire, vacío, aceite hidráulico |
| Máx. Temperatura | 120 grados |
| Máx. Presión |
Aire 10bar|Vacío -0,95bar|Aceite hidráulico 70bar |
| Máx. Velocidad | 3500 rpm |
|
Material |
carcasa de aluminio anodizado, rotor de acero inoxidable |
Modelo de producto
250-094-020, 250-094-021, 250-094-002, 250-094-027
250-094-016, 250-094-017, 250-094-284, 250-094-285
250-094-012, 250-094-013, 250-094-014, 250-094-001
Características del producto
Conexión radial de un solo-canal, adecuada para instalación en múltiples-escenarios
Aluminio anodizado + acero inoxidable, ligero y duradero.
Sello mecánico equilibrado, fuerte rendimiento de sellado y larga vida útil
Diseño de bajo par, funcionamiento más estable a alta velocidad
Estructura de sellado de fieltro, especialmente adaptada para medio aéreo.
Compatibilidad con múltiples-medios, adecuado para aire/vacío/aceite hidráulico
Preguntas frecuentes
R1: Un par bajo puede reducir significativamente la fricción operativa y el consumo de energía, reducir la generación de calor y el desgaste de los componentes, y aún puede mantener la estabilidad a una alta velocidad de 3500 RPM, extendiendo la vida útil de la junta.
A2: Se admite la personalización. Las especificaciones de la interfaz, la estructura de instalación y la configuración de sellado se pueden ajustar según los requisitos del equipo y el diseño también se puede optimizar para condiciones de trabajo especiales.
Etiqueta: reemplazo para junta rotativa deublin serie 250-094, reemplazo de China para fabricantes de juntas rotativas deublin serie 250-094, fábrica
Envíeconsulta















